NICK BARRETT.COM  MY WORLD "Hands On" > MFG'g, ENGINEERING, DESIGN, PROCESS, CONTROL, HMI, DATA to Human, it's in the DETAILS - Micro to Macro "BIG PICTURE", Drill Down / Scale Up < Anything !

2020- - - -  PEGGY

\\\\\\\\\\\\u

IT'S WHAT I DO

MY WEB SITE - for your "interest and review". Electronics & electromechanics starts for me at age 10, when my father showed me how to solder, read color codes, schematics & use basic hand tools so I could build my own vacuum tube short wave radio. With my early education in electronics, mechanics & ham radio, I was able to get started on my career path immediately after high school at age 18 with "General Automation", an early industry leader in computer technology & manufacturing. Starting as a Proto Type & Production Engineering Technician - "how cool was that" (not to minimize my prior "Dishwasher & Bus Boy" experience).

ELECTRICAL / MECHANICAL ENGINEER - My experience now spanning decades and including the transition period from vacuum tubes to transistors, discrete semiconductors to integrated circuits to VLSI, SMT microelectronics, hybrids, etc... Becoming an engineer through non-conventional "on & off the Job Training", hands on experience, self education & starting my own electronics businesses, then by degree's & other OJT training programs by leaders in industry. Hired as a "Sr Electrical Engineer & Team Manager" in 1984 at "General Dynamics", I began a transition phase in my career to leading edge "Mechanical Engineering" through extensive vendor training programs, intimate involvement in microelectronics manufacturing, robotic & automated manufacturing technologies.

ENGINEERING GENERALIST - Transistioning to advanced "Electro-Mechanical Engineer" through extensive, hands on experience, over "tens of thousands of hours" of inventive & innovative "machine design & product development engineering", manufacturing support & "management of product, process & people". Over time, this has given me a very broad "perspective & understanding" of product development, manufacturing, engineering & technology driven products. My unique background in so many industries & technologies create an Engineering Generalist perspective & knowlege base that allows me to transition from one industry & product to another, & then another... With the advanced global skills of an Engineering Generalist I can quickly theorize, interpolate, extrapolate, & grasp virtually any technology based foundation behind a product or business, & then "jump in" to participate, contribute, or lead within any team environment.

Current RESUME

   

 Legacy RESUME

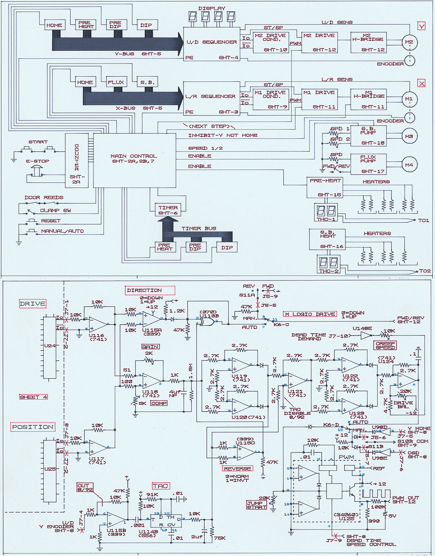
STILL UPLOADING IMAGES / VIDEOS / DRAWINGS as I have time (out of thousands)